W jaki sposób sprzęt do cyjankowania poprawia odzysk złota i bezpieczeństwo miejsca pracy?

2026-01-08 - Zostaw mi wiadomość

Jeśli kiedykolwiek miałeś wrażenie, że cyjanizacja jest „skuteczna, ale stresująca”, nie wyobrażasz sobie tego. Chemia działa, jednak codzienna rzeczywistość może być chaotyczna: zmienna ruda, nadmierne wydatki odczynników, straty węgla, nieoczekiwane przestoje i ciągła presja, aby działać bezpiecznie i konsekwentnie. W tym artykule opisano, coSprzęt do cyjankowaniapowinien faktycznie dla Ciebie zrobić, o co pytać przed zakupem i jak uniknąć najkosztowniejszych błędów.


Abstrakcyjny

NowoczesnySprzęt do cyjankowaniato nie tylko zestaw zbiorników — to połączony system zaprojektowany w celu kontrolowania warunków ługowania, stabilizacji odzysku, zmniejszania ilości odpadów odczynników i zapewniania przewidywalności postępowania z cyjankami. Kupujący zazwyczaj borykają się z czterema bolączkami: niespójnym odzyskiem, wysokimi kosztami operacyjnymi, słabymi kontrolami bezpieczeństwa i problemami związanymi z konserwacją. Poniżej znajdziesz praktyczny widok modułów cyjankowania z hali produkcyjnej (ługowanie, adsorpcja, desorpcja/elektrowinowanie, detoksykacja i oprzyrządowanie), matrycę wyboru, wskazówki dotyczące uruchomienia oraz sekcję często zadawanych pytań, z której możesz skorzystać podczas rozmów z dostawcami.


Spis treści


Zarys w skrócie

  • Przetłumacz „Potrzebuję cyjanizacji” na kompletny, możliwy do kontrolowania zakres sprzętu.
  • Zidentyfikuj, który moduł powoduje Twoje straty (odzysk, odczynnik, węgiel lub przestoje).
  • Użyj prostej macierzy, aby porównać rozwiązania dla rodzaju rudy i ograniczeń.
  • Przychodź na spotkania z dostawcami z listą kontrolną, która szybko ujawnia słabe projekty.

Prawdziwe problemy kupującego

Kiedy ludzie robią zakupySprzęt do cyjankowaniaczęsto mówią: „Potrzebuję większej regeneracji”. Zwykle mają na myśli: „Potrzebuję wysokiego poziomu odzysku, nawet jeśli zmienia się ruda, zmieniają się operatorzy, a miejsce jest oddalone”. Oto bolesne punkty, które stale się pojawiają:

  • Huśtawki regeneracyjnespowodowane zmiennością rudy, problemami z przemiałem, ograniczeniami tlenu lub słabą kontrolą pH.
  • Wzrost kosztów odczynnikówprzed przedawkowaniem cyjanku lub wapna „dla bezpieczeństwa”.
  • Problemy z węglemtakie jak zanieczyszczenia, straty spowodowane ścieraniem lub słaba kinetyka adsorpcji.
  • Przestójz powodu awarii pomp/zaworów, ściernego zużycia szlamu lub trudno dostępnych układów.
  • Stres związany z bezpieczeństwemdotyczące przechowywania cyjanku, dawkowania i gotowości do reagowania w sytuacjach awaryjnych.

Dobry projekt sprzętu nie eliminuje całej złożoności, ale powinien wyeliminować domysły.


Co obejmuje „sprzęt do cyjankowania”.

Cyaniding Equipment

co najmniejSprzęt do cyjankowanianależy rozumieć jako system obsługujący następujące funkcje:

  • Wymywanie: zapewnić czas, mieszanie i kontrolę chemiczną rozpuszczania.
  • Zdobywanie złota: adsorpcja na węglu aktywnym (CIP/CIL) lub drogi wytrącania.
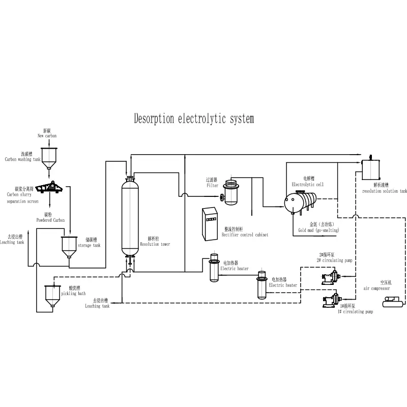
  • Odzyskiwanie złota: desorpcja i elektrolityczne otrzymywanie (lub alternatywne obwody odzyskiwania).
  • Detoks i obsługa odpadów poflotacyjnych: zredukować pozostałości cyjanku do akceptowalnego poziomu.
  • Oprzyrządowanie i sterowanie: pomiar i stabilizacja pH, rozpuszczonego tlenu, przepływu i dozowania.

Jeśli dostawca mówi tylko o „zbiornikach”, nalegaj, aby zdefiniował cały przepływ i punkty kontrolne. Cyjanizacja jest wybaczająca w warunkach laboratoryjnych; nie przebacza w chaotycznych warunkach terenowych.


Przejrzysta mapa procesu od rudy do Doré

Chociaż każda roślina jest inna, większość dróg cyjanizacji przebiega według rozpoznawalnego szkieletu. Skorzystaj z tej mapy, aby sprawdzić, czy proponowany pakiet jest kompletny:

Scena Co musi osiągnąć Typowe „ukryte” ryzyko
Obróbka wstępna (w razie potrzeby) Udostępnij złoto i zapobiegnij skokom zużycia cyjanku Ignorowanie kradzieży preg, wysokiej zawartości miedzi lub reaktywnych siarczków
Wymywanie Stabilne mieszanie, kontrolowane pH i wystarczająca ilość tlenu Martwe strefy, słaby transfer tlenu, nieprawidłowe pH spowodowane słabym układem wapiennym
Adsorpcja (CIL/CIP) Skutecznie wychwytuj rozpuszczone złoto Zła wielkość/metoda przenoszenia węgla; straty węgla
Elucja / Desorpcja Niezawodnie usuwaj złoto z węgla Nierównomierne ogrzewanie/przepływ prowadzi do niskiej wydajności usuwania
Elektrowytapianie / wytapianie Odzyskaj i wyprodukuj doré Niewymiarowe ogniwa, złe zarządzanie elektrolitem, problemy z obsługą osadów
Detoks Zredukuj pozostałości cyjanku przed zrzutem/odpadami Projekt nie uwzględnia zmienności przepustowości ani składu chemicznego odpadów poflotacyjnych

Kluczowe moduły i co należy sprawdzić

1) Zbiorniki do ługowania i mieszanie

  • Czy projekt mieszania jest dostosowany do gęstości i ścieralności zawiesiny?
  • Czy system może utrzymać stabilne pH przy zmienności rudy?
  • Czy w Twoim zakładzie praktyczne jest dodawanie tlenu (i czy w projekcie uwzględniono transfer tlenu)?
  • Czy układ umożliwia łatwą kontrolę wirników, tulei i łożysk?

2) Adsorpcja i transfer węgla

  • Czy ekrany międzystopniowe są wystarczająco wytrzymałe, aby zapobiec przenoszeniu dwutlenku węgla?
  • Czy transfer węgla został zaprojektowany tak, aby ograniczyć pękanie i straty?
  • Czy projekt jest przyjazny dla czyszczenia i kontroli zapasów węgla?

3) Desorpcja i elektrolityczne otrzymywanie

  • Czy obwód elucji spełnia Twoje oczekiwania dotyczące obciążenia węglem?
  • Czy sterowanie ogrzewaniem i przepływem jest stabilne (nie jest „zależne od operatora”)?
  • Czy zagospodarowanie osadów jest planowane, a nie improwizowane?

4) Dozowanie i pomiar cyjanku

  • Czy dozowanie jest automatyczne z blokadami, czy czysto ręczne?
  • Jaki jest plan kalibracji i konserwacji czujników w prawdziwym środowisku kopalnianym?
  • Czy punkty poboru próbek są bezpieczne i dobrze umiejscowione, czy też są kwestią przemyślenia?

5) Detoks

  • Czy projekt detoksykacji opiera się na docelowych celach zrzutu i składzie chemicznym odpadów poflotacyjnych?
  • Czy poradzi sobie z krótkotrwałymi skokami bez wymuszania przestoju?

Praktyczna wskazówka:Propozycja, która na papierze wygląda na tańszą, często zwiększa koszty operacyjne – dodatkowy cyjanek, dodatkowe wapno, dodatkowa praca konserwacyjna i bardziej „bohaterskie” zachowanie operatora. Rachunek przychodzi później.


Podstawy wymiarowania i specyfikacji

Nie musisz być metalurgiem, aby zadawać pytania dotyczące rozmiaru, które chronią Twój budżet. DlaSprzęt do cyjankowania, podstawowa logika wymiarowania opiera się na przepustowości, czasie przebywania i transferze masy. Przed zaakceptowaniem ostatecznego projektu upewnij się, że te dane wejściowe są wyraźnie określone:

  • Przepustowość projektowa(średnia i szczytowa oraz oczekiwana zmienność sezonowa).
  • Docelowy rozmiar mieleniai co się stanie, jeśli młyn będzie dryfował grubiej.
  • Czas przebywania ługowaniaoraz czy opiera się na testach czy założeniach.
  • Plan pH i zasadowości(w tym przygotowanie wapna i stabilność dozowania).
  • Strategia tlenowa(powietrze, tlen lub brak) i oczekiwany wpływ na kinetykę.
  • Inwentaryzacja węgla(ile węgla, gdzie się zatrzymuje i w jaki sposób jest monitorowane).

Jeśli dostawca nie jest w stanie wyjaśnić tego prostym językiem, potraktuj to jako sygnał ryzyka, a nie kwestię techniczną.


Bezpieczeństwo i kontrola cyjanków, która faktycznie się sprawdza

Bezpieczeństwo to nie plakat na ścianie. W przypadku cyjanizacji jest to wbudowane w projekt fizyczny i rutynową kontrolę. MocnySprzęt do cyjankowaniapakiety zazwyczaj obejmują:

  • Zamknięte przechowywanie i transferz wyraźnymi ścieżkami rozlewu i logiką zawijania.
  • Dozowanie blokowanewięc cyjanku nie można dodać, jeśli kluczowe warunki nie są spełnione.
  • Przejrzysty projekt pobierania próbekco zmniejsza ryzyko narażenia podczas rutynowych kontroli.
  • Gotowość awaryjnajako część zestawu procedur operacyjnych, a nie jako dokument dodatkowy.

Z punktu widzenia kupującego Twoje zadanie jest proste: narzuć propozycję, aby dokładnie pokazywała, w jaki sposób ludzie wchodzą w interakcję z systemem. Gdzie oni stoją? Czego dotykają? Jak izolują sprzęt? Jak reagują na awarię uszczelnienia pompy o 2 w nocy?


Skąd naprawdę biorą się koszty operacyjne

Jeśli koszt za uncję rośnie, zwykle nie jest to jedna dramatyczna awaria – lecz małe nieszczelności w systemie, które się nasilają. W przypadku cyjanizacji najczęstszymi czynnikami generującymi koszty są:

  • Zużycie cyjankuspowodowane przez minerały reaktywne, nawyki związane z przedawkowaniem lub słabe pętle kontrolne.
  • Spożycie wapnagdy kontrola pH jest niestabilna lub chemia zawiesiny nie jest dobrze poznana.
  • Utrata węglapoprzez ścieranie, problemy z ekranem lub zły projekt transferu.
  • Zasilanie i konserwacjaz powodu nadmiernego mieszania, niedostatecznie zaprojektowanych części zużywalnych i układów trudnych w serwisowaniu.
Objaw Prawdopodobna przyczyna Funkcja wyposażenia, która pomaga
Odzyskiwanie spada, gdy zmienia się ruda niestabilność pH/DO; słabe mieszanie; niewystarczający czas przebywania Solidne mieszanie, lepsze oprzyrządowanie sterujące, elastyczna pojemność zbiornika
Wydatki na cyjanek stale rosną przedawkowanie; minerały o dużej zawartości cyjanku; słaby pomiar Kontrolowane dozowanie, niezawodne punkty próbkowania, inteligentniejsze blokady
Zapasy węgla „w tajemniczy sposób” się kurczą Awarie ekranu; straty transferowe; ścieranie Trwałe ekrany międzystopniowe, delikatna konstrukcja transferu, przejrzyste rozliczanie emisji dwutlenku węgla
Częste wyłączenia Części zużywalne, uszczelnienie pompy, problemy z dostępem Materiały odporne na zużycie, dostęp konserwacyjny, standardowe części zamienne

Projekt niezawodności i konserwacji

Cyaniding Equipment

Obwód cyjanizacji może wyglądać na „kompletny” i nadal być zawodny, jeśli nie zaprojektowano konserwacji. Zapytaj, jak podchodzi do tego dostawca:

  • Wybór materiałówdo stref szlamu ściernego i stref kontaktu z cyjankiem.
  • Dostępdo ekranów, wirników, wkładek, pomp i oprzyrządowania.
  • Strategia dotycząca części zamiennychktóry odpowiada rzeczywistości na Twoim terenie (czasy realizacji, logistyka, magazynowanie).
  • Normalizacjaaby zmniejszyć liczbę unikalnych elementów noszenia.

W przypadku operacji zdalnych „łatwy w utrzymaniu” może być wart więcej niż „nieco bardziej wydajny na papierze”.


Pytania dostawców, które powinieneś zadać

Korzystaj z tej listy kontrolnej podczas spotkań. Ma na celu szybkie ujawnianie słabych propozycji bez przekształcania rozmowy w debatę.

  • Które zagrożenia związane z rudami są pomijane, a dla których aktywnie projektowane?
  • Jakie są dane wejściowe projektu dotyczące czasu przebywania, zakresu pH i strategii tlenowej?
  • Jak kontrolowane jest dozowanie cyjanku i co dzieje się w przypadku awarii czujnika?
  • W jaki sposób zapobiega się utracie węgla i jak ją mierzy w rutynowych operacjach?
  • Jaki jest plan dostępu konserwacyjnego do przesiewaczy, mieszadeł i pomp?
  • Jakie są zalecane kontrole operatora na zmianę i w jaki sposób są one bezpieczne?
  • Jakie wsparcie przy uruchomieniu jest wliczone w cenę i jakie szkolenie dla operatorów jest zapewnione?

Jeśli oceniasz dostawców, pomocna może być rozmowa z producentem, który może dostarczyć pełny pakiet cyjanizacji i pomóc w szczegółach integracji. Na przykład, Qingdao EPIC Mining Machinery Co., Ltd.dostarcza rozwiązania w zakresie sprzętu do przetwarzania górnictwa, w których pakiety cyjanizacji są traktowane jako systemy – ługowanie, adsorpcja, odzysk i kontrola – a nie odłączony zestaw zbiorników.


Często zadawane pytania

Co sprawia, że ​​sprzęt do cyjankowania jest „nowoczesny”, a nie podstawowy?

Nowoczesne projekty skupiają się na sterowalności i powtarzalności: stabilne dozowanie, niezawodny pomiar, bezpieczniejsze pobieranie próbek, solidna ochrona przed zużyciem i układy ograniczające improwizację operatora. Celem jest spójny odzysk przy mniejszej ilości odpadów odczynników i mniejszej liczbie przestojów.

Czy sprzęt do cyjankowania może ekonomicznie przetwarzać rudę niskiej jakości?

Można, ale tylko wtedy, gdy obwód zostanie zaprojektowany pod kątem kinetyki i profilu zużycia. Operacje niskogatunkowe są zwykle wrażliwe na nadmierne wydatki odczynników i przestoje, dlatego szczególnie ważne stają się systemy kontroli, projektowanie zużycia i zarządzanie węglem.

Skąd mam wiedzieć, czy potrzebuję CIP, czy CIL?

Wybór zwykle zależy od kinetyki ługowania i szybkości wychwytywania rozpuszczonego złota. Jeśli złoto szybko się rozpuszcza i chcesz natychmiastowego przechwycenia, CIL może być atrakcyjny. Jeśli ługowanie przynosi korzyść w przypadku separacji przed adsorpcją, CIP może być lepszy. Testy metalurgiczne i praktyczne ograniczenia miejsca powinny decydować o podjęciu decyzji.

Dlaczego zużycie cyjanku czasami nagle wzrasta?

Typowe przyczyny obejmują zmiany minerałów w rudzie, słabą kontrolę pH, nieoczekiwane ograniczenie zawartości tlenu lub zanieczyszczenie wody procesowej. Dobry plan kontroli oraz niezawodne punkty próbkowania sprawiają, że skoki te są łatwiejsze do zdiagnozowania i szybkiego skorygowania.

Co powinienem traktować priorytetowo, jeśli moja placówka jest odległa i brakuje personelu?

Priorytetowo traktuj łatwość konserwacji i automatyzację, która ogranicza ręczną obsługę: trwałe ekrany, dostępny układ sprzętu, standardowe części zamienne, powiązane dozowanie i przejrzyste procedury operacyjne, które nie opierają się na „jednym doświadczonym operatorze”.


Podsumowanie

KupowanieSprzęt do cyjankowaniaostatecznie chodzi o zmniejszenie niepewności. Chemia może zostać udowodniona, ale Twoja rentowność zależy od konsekwentnej kontroli, praktycznej konserwacji i bezpieczeństwa, które działają na rzeczywistych zmianach z prawdziwymi ludźmi. Jeśli planujesz nowy zakład lub modernizujesz istniejący obwód, weź pod uwagę rzeczywistość dotyczącą rudy, cele w zakresie wydajności i ograniczenia lokalizacji i nalegaj na propozycję, która traktuje cyjanizację jako kompletny, kontrolowany system.

Gotowy do przekształcenia planu cyjanizacji w niezawodną i stabilną kosztowo operację?Udostępnij rodzaj rudy, docelową wydajność i warunki na miejscu orazskontaktuj się z namiaby omówić praktyczną konfigurację sprzętu, która będzie pasować do Twojego zakładu i operatorów.

Wyślij zapytanie

X
Używamy plików cookie, aby zapewnić lepszą jakość przeglądania, analizować ruch w witrynie i personalizować zawartość. Korzystając z tej witryny, wyrażasz zgodę na używanie przez nas plików cookie. Polityka prywatności