Desorpcyjny układ elektrolityczny
  • Desorpcyjny układ elektrolityczny Desorpcyjny układ elektrolityczny

Desorpcyjny układ elektrolityczny

Jako jeden z profesjonalnych producentów EPIC chciałby zapewnić wysokiej jakości układ elektrolityczny desorpcji. Zaoferujemy Ci najlepszą usługę po sprzedaży i terminową dostawę.

Wyślij zapytanie

Opis produktu

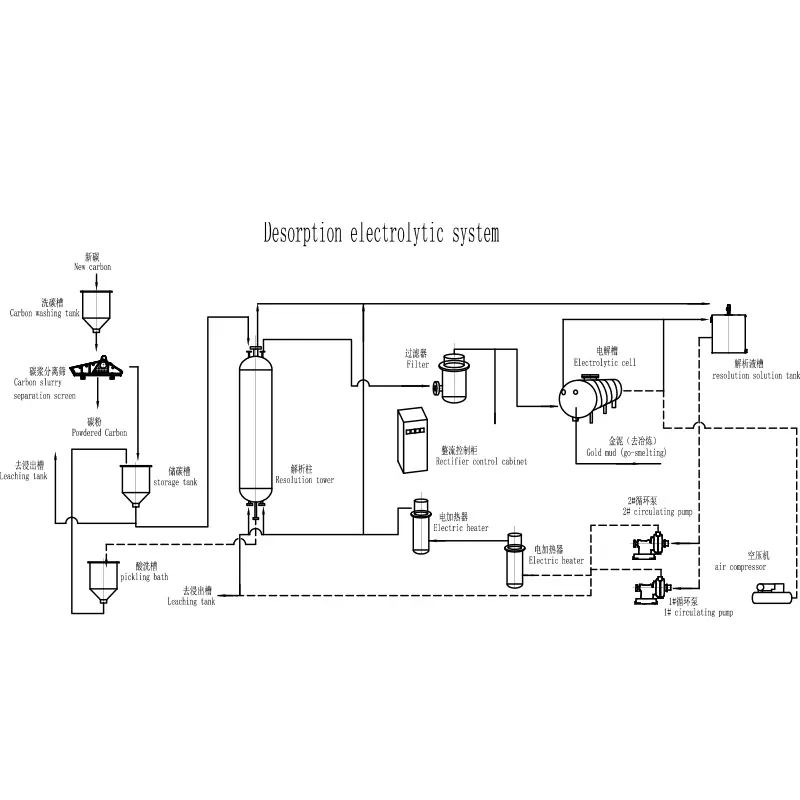
Będąc biegłym producentem, EPIC ma na celu oferowanie najwyższej klasy układu elektrolitycznego desorpcji. Obiecujemy zapewnić Ci najlepszą wsparcie po sprzedaży i szybką dostawę. Dodając bardziej łatwiej przez system desorpcji adsorpcji węgla anionu, a zatem wymiana Au (CN) 2, zdaj sobie sprawę, że desorpcja złota. Ciecz uzyskana przez desorpcję węgla obciążonego złotem jest odzyskiwane przez jonizację w celu uzyskania złota stałego.

1, Wysokie temperatura, wysokie ciśnienie, bez cyjanku, automatyczna kontrola desorpcji, z dużym niedoborem, zużycie łuku, szybkie

Charakterystyka: 

A. Wysoka Wydajność: Gdy stopień węgla obciążonego złotem osiągnie 3000 g/t, szybkość desorpcji może osiągnąć ponad 96%, a niski stopień węgla można zmniejszyć o 3-4 razy w porównaniu z konwencjonalną desorpcją elektrolityczną

urządzenie:

B. Szybko: Temperatura elektrolizy desorpcji może być tak wysoka jak 150 ℃ (30-55 ℃ Wyższa niż inne modele) System ciśnienie robocze do 0,5 MPa (0,2-0,5 MPa wyższe niż inne modele), więc czas elektrolizy desorpcji jest bardzo szybki, ogólnie 12 godzin, skrócony prawie, skrócony prawie, skrócony 

3 razy: C. Wpływ zużycie: Temperatura elektrolityczna desorpcji jest taka sama, bez przenoszenia ciepła, z powodu szybkiej pracy, więc całkowite zużycie energii wynosi 1/2-1/4 systemu konwencjonalnego.

2. Brak cyjanku: roztwór desorpcyjny nie musi dodawać cyjanku sodu, niski koszt, brak zanieczyszczenia:

3, złote błoto z wysokiej jakości, nie trzeba odwracać elektrolizy, łatwa ekstrakcja;

4, Automatyczna kontrola: Specjalnie ustaw system sterowania poziomem cieczy, system kontroli temperatury i automatyczny system sterowania;

5, Bezpieczeństwo: Przy potrójnych środkach ochrony bezpieczeństwa, a mianowicie sam system inteligentny, mechanizm uwalniania ciśnienia ograniczającego ciśnienie autorów, zawór bezpieczeństwa ubezpieczeniowego.

Gorące Tagi: Desorpcyjny układ elektrolityczny
Wyślij zapytanie
Prosimy o przesłanie zapytania w poniższym formularzu. Odpowiemy ci w ciągu 24 godzin.
X
Używamy plików cookie, aby zapewnić lepszą jakość przeglądania, analizować ruch w witrynie i personalizować zawartość. Korzystając z tej witryny, wyrażasz zgodę na używanie przez nas plików cookie. Polityka prywatności