Co to jest układ elektrolityczny desorpcyjny i dlaczego jest niezbędny do nowoczesnej ekstrakcji złota

2026-04-21 - Zostaw mi wiadomość

TheDesorpcyjny układ elektrolitycznyto kluczowa technologia w nowoczesnej ekstrakcji złota, szczególnie w procesach CIP i CIL. Na tym blogu omawiamy, jak działa system, jego elementy, zalety i dlaczego stał się standardem w skutecznym odzyskiwaniu złota. Podkreślamy również, jak firmy lubiąEPICKIKIKIKInapędzają innowacje w tej dziedzinie. Na koniec będziesz mieć pełną wiedzę na temat tego, jak ten system zwiększa produktywność, zmniejsza koszty i poprawia współczynnik odzysku.

Desorption Electrolytic System

Spis treści


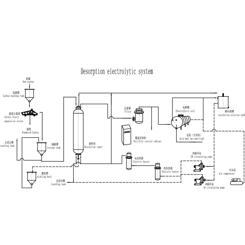
Co to jest układ elektrolityczny desorpcyjny

A Desorpcyjny układ elektrolitycznyto zaawansowany system odzyskiwania złota służący do ekstrakcji złota z węgla aktywnego. Jest szeroko stosowany w kopalniach, gdzie złoto jest absorbowane na cząsteczkach węgla podczas procesu ługowania.

  • Desorpcja: usuwa złoto z węgla za pomocą roztworów o wysokiej temperaturze i wysokim ciśnieniu
  • Elektroliza: Odzyskuje złoto z roztworu na katodach
  • System zamkniętej pętli: zapewnia wydajność i minimalne straty

System ten jest niezbędny do poprawy efektywności odzysku i obniżenia kosztów operacyjnych, co czyni go kluczowym elementem nowoczesnych zakładów przetwórstwa złota.


Jak działa układ elektrolityczny desorpcyjny

Zasada działania ADesorpcyjny układ elektrolitycznyobejmuje dwa główne etapy:

  1. Etap desorpcji:Węgiel obciążony złotem jest traktowany gorącym alkalicznym roztworem cyjanku, uwalniając jony złota.
  2. Etap elektrolizy:Roztwór bogaty w złoto przechodzi przez ogniwo elektrolityczne, w którym złoto osadza się na katodach z wełny stalowej.

Proces zapewnia wysoką wydajność i pozwala na ciągłą pracę, dlatego lubią systemy firmEPICKIKIKIKIsą powszechnie stosowane w zastosowaniach przemysłowych.


Główne elementy systemu

Część Funkcjonować
Kolumna desorpcyjna Zatrzymuje węgiel aktywny i ułatwia usuwanie złota
Ogniwo elektrolityczne Odzyskuje złoto poprzez elektrolizę
Wymiennik ciepła Utrzymuje wymaganą temperaturę
System filtrów Usuwa zanieczyszczenia z roztworu
System sterowania Automatyzuje pracę i monitoruje parametry

Każdy element odgrywa kluczową rolę w zapewnieniu wydajnego i spójnego działania systemu.


Zalety i funkcje techniczne

  • Wysoki stopień odzysku złota (aż do 98%)
  • Niskie zużycie energii
  • Zautomatyzowana praca w celu zmniejszenia kosztów pracy
  • Kompaktowa konstrukcja zapewniająca oszczędność miejsca
  • Przyjazny dla środowiska z minimalną emisją

Producenci lubiąEPICKIKIKIKIstale optymalizuj te systemy, aby sprostać zmieniającym się wymaganiom branży, zapewniając lepszą wydajność i niezawodność.


Zastosowania w obróbce złota

TheDesorpcyjny układ elektrolitycznyjest szeroko stosowany w:

  • Zakłady wydobywające złoto
  • Operacje CIP (węgiel w pulpie).
  • Procesy CIL (Carbon-in-Leach).
  • Odzysk złota

Jego wszechstronność sprawia, że ​​nadaje się zarówno do górnictwa przemysłowego na dużą skalę, jak i do mniejszych operacji poszukujących poprawy wydajności.


Porównanie z metodami tradycyjnymi

Funkcja Desorpcyjny układ elektrolityczny Tradycyjne metody
Efektywność Wysoki Umiarkowany
Automatyzacja W pełni zautomatyzowany Ręczne lub półautomatyczne
Koszt Niższe koszty długoterminowe Wyższe koszty operacyjne
Wpływ na środowisko Niski Wyższy

Jest oczywiste, że nowoczesny system zapewnia znaczną przewagę nad tradycyjnymi technikami odzyskiwania złota.


Przewodnik wyboru dla kupujących

Wybierając ADesorpcyjny układ elektrolityczny, weź pod uwagę następujące czynniki:

  • Wydajność przetwarzania
  • Poziom automatyzacji
  • Efektywność energetyczna
  • Reputacja producenta (np. EPIC)
  • Wsparcie posprzedażowe

Wybór odpowiedniego systemu zapewnia długoterminowy sukces operacyjny i maksymalny zwrot z inwestycji.


Wskazówki dotyczące konserwacji i obsługi

  • Regularnie sprawdzaj rurociągi i zawory
  • Monitoruj poziom temperatury i ciśnienia
  • Okresowo czyść ogniwa elektrolityczne
  • Niezwłocznie wymień zużyte elementy
  • Należy ściśle przestrzegać wskazówek producenta

Właściwa konserwacja znacznie wydłuża żywotność systemu i zapewnia stałą wydajność.


Często zadawane pytania

1. Jaki jest główny cel układu elektrolitycznego desorpcyjnego?

Jego głównym celem jest efektywne wydobywanie i odzyskiwanie złota z węgla aktywnego.

2. Jak wydajny jest system?

Większość systemów osiąga stopień odzysku złota na poziomie ponad 95%, w zależności od warunków pracy.

3. Czy system jest przyjazny dla środowiska?

Tak, nowoczesne systemy zaprojektowano tak, aby minimalizować emisję i redukować odpady chemiczne.

4. Czy można go dostosować?

Tak, firmy takie jak EPIC oferują konfigurowalne rozwiązania w oparciu o wymagania dotyczące przetwarzania.

5. Jakie branże korzystają z tego systemu?

Przede wszystkim w przemyśle wydobywczym złota, ale także w zastosowaniach związanych z odzyskiem metali szlachetnych.


Wniosek

TheDesorpcyjny układ elektrolitycznystanowi przełom w technologii odzyskiwania złota, oferując niezrównaną wydajność, niezawodność i ochronę środowiska. Dzięki ciągłym postępom ze strony liderów branży, takich jakEPICKIKIKIKIsystem ten staje się coraz bardziej niezbędny w nowoczesnych operacjach górniczych. Jeśli chcesz zoptymalizować proces wydobycia złota i poprawić rentowność, inwestycja w system wysokiej jakości jest mądrym wyborem.Skontaktuj się z namijuż dziś, aby dowiedzieć się więcej o tym, jak możemy zapewnić rozwiązania dostosowane do Twoich potrzeb.

Wyślij zapytanie

X
Używamy plików cookie, aby zapewnić lepszą jakość przeglądania, analizować ruch w witrynie i personalizować zawartość. Korzystając z tej witryny, wyrażasz zgodę na używanie przez nas plików cookie. Polityka prywatności